河南开云电竞自动化设备有限公司
联系人:王先生
电话: 4000990159
手机:13703843870
邮箱:hnjmzdh@sina.cn
传真:0371-68992662
地址:河南省郑州市嵩山南路140号
网址:www.hnjmzdh.com
目 录
目录
前言
安全指示
1 产品概述
2 粮仓控温专用空调器性能参数
2.1 机组主要技术参数
2.2 主要部件技术参数
3. 工作原理
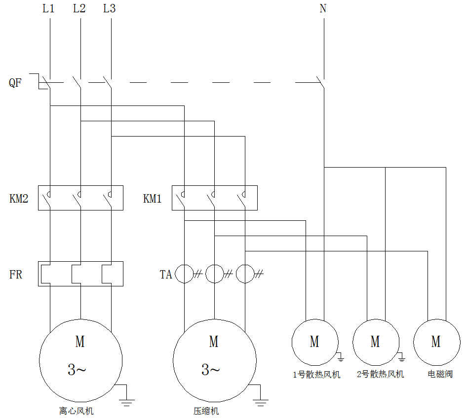
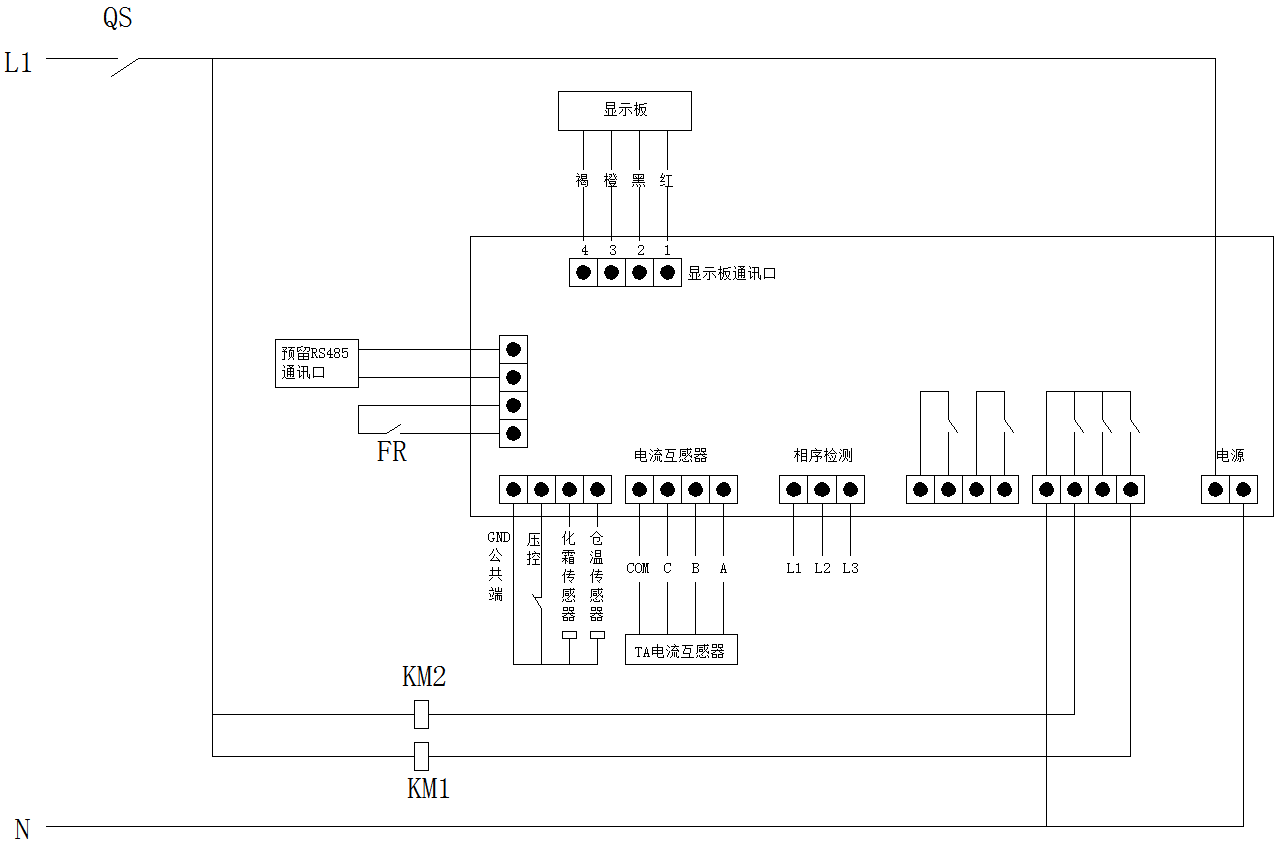
3.1电气原理图
3.2控制器参数设置界面
3.3 控制器后台参数设置(本参数作为维修对照界面)
3.4设备电气保护解决方法
3.5 制冷工作原理
4.安装说明
5. 使用和操作
6. 清理及保养
7. 故障检修
前言
尊敬的用户:
您好 !
感谢您使用本公司CZKI系列粮仓控温专用空调器,本手册对安装操作进行了详细的说明。请您在使用前详细阅读本手册,以帮助您详细了解本公司产品的特性,方便您轻松、便捷、正确、合理的使用本产品。
由于产品改进或升级等情况,您所购买的产品可能与说明书中图示不完全一致,谨此致歉。
为了保证您的服务信息及时得到处理,如有疑问,请直接与我公司联系,我公司会及时为您服务。
再次感谢您对本公司产品的信赖与支持!
本说明书内容最终解释权归河南开云电竞自动化设备有限公司
安 全 指 示
这本说明书含有安全信息和指示,以帮助用户避免或减少事故的伤害风险。
通用的安全信息

这是安全警示的标志。当您在这本说明书中看到这个标志时,是警告可能存在潜在的人身伤害。
遵守以下推荐的防护措施和安全操作说明。
正确理解信号指令
信号指令:警告或注意与安全警示标志一起使用,它们分别代表了不同等级的潜在伤害。
此标志适用于那些危险或不安全的操作,这些操作如果不当可能导致人身伤亡。
此标志适用于那些危险或不安全的操作,这些操作如果不当可能导致人身伤害或空调器损坏。
此标记表明在什么位置存在潜在危害,如果没有避免可能造成财产的损害。
认真阅读并遵守所有的安全信息及指导。
1 产品概述
本粮仓控温专用空调器一体机是专为粮仓准低温及低温储粮设计,设备电源采用三相五线制(380V-50HZ),每台设备配置独立电控箱,设备参数可现场手动调节,也可通过RS485通讯远程控制。设备使用安全、无毒、不可燃的HFC-R22型制冷剂同时设备安装于室外,经由通风管道进入仓内。其高能效制冷压缩机配合大风量离心风机循环制冷,使得仓上空间保持均衡低温状态。
2 粮仓控温专用空调器性能参数
本空调器主机安装于室外,经由送风管道将冷气送入仓内,同时出风口及回风口设有密封装置,关闭状态下可实现仓内空间与空调器的有效隔离,防止仓内熏蒸气体及进出粮时脏污空气对本设备造成不利影响。
2.1 机组主要技术参数
序号 | 粮仓控温专用空调器一体机 | ||
1 | 型号 | CZKI—12 | CZKI—15 |
2 | 额定制冷量 | 12kW | 15kW |
3 | 额定功率 | 5.0kW | 5.7kW |
4 | 额定电流 | 10A | 12A |
5 | 电源 | 3P-380V-50HZ | 3P-380V-50HZ |
6 | 循环风量 | 2500m3/h | 2800m3/h |
7 | 能效比COP(W/W) | 2.4 | 2.6 |
8 | 调温范围 | 18-28℃ | 18-28℃ |
9 | 冷风射程 | 25m | 25m |
10 | 制冷剂种类 | HFC-R22 | HFC-R22 |
11 | 制冷剂充注量 | 3.5Kg | 4.0Kg |
12 | 设备重量 | 240Kg | 240Kg |
13 | 外型尺寸 | 1650*550*1450 | 1650*550*1450 |
制冷量测试条件: 1. 室内干球温度:27℃,湿球温度:19.5℃;
2. 室外干球温度:35℃,湿球温度: 24℃。
注: 1、本公司产品不断改进,产品规格如有变更,以提供的性能参数表为准。
2、空调器维持仓内预期温度的能力依赖于仓内对热量的获取。使用者所采取一些预防措施可能减少对热量的获取和改进空调的性能。在室外温度极高的情况下,以下的措施可能减少热量的获取:
u 窗口密封严密;
u 降低窗户和门开启的次数;
2.2 主要部件技术参数
(1) 压缩机
品牌 | 压缩方式 | 数量 |
谷轮艾默生 | 涡旋式 | 1 |
(2) 冷凝器
型式 | 冷却方式 | 数量 |
铝翅片套铜管 | 风冷式 | 1 |
(3)冷凝风机
品牌 | 型号 | 数量 |
开云电竞 | 定制 | 2 |
(4)蒸发器
型式 | 冷却方式 | 数量 |
铝翅片套铜管 | 风冷 | 1 |
(5)蒸发风机
品牌 | 型号 | 数量 |
开云电竞 | 定制 | 1 |
(6)膨胀阀
品牌 | 型号 | 数量 |
丹弗斯 | 根据系统选型 | 1 |
3. 工作原理
3.1电气原理图
主回路线路图
控制线路电路图
电路保护内容
序号 | 保护信息 | 保护内容 | 电路现象 | 排除方法 |
1 | 错相 | 整个回路 | 不可启动、相序灯亮、有警报声 | 检查线路,将三相任意两相调换位置。 |
2 | 缺相 | 整个回路 | 不可启动、相序灯亮、有警报声 | 检查线路、连接线路中的断开点 |
3 | 过载 | 压缩机 | 设备停机、过载灯亮、 有警报声 | 检查压缩机、重启控制器 |
4 | E9 | 离心风机 | 设备停机、主界面交替显示E9和温度、有警报声 | 检查离心风机、检查送风管道、复位FR断路器 |
5 | E10 | 压缩机 | 设备停机、主界面交替显示E10和温度、有警报声 | 检查电磁阀、清理冷凝器翅片、复位压力控制器 |
3.2控制器参数设置界面
正常运转状态下,点击“解锁”键直至听到滴的声音,锁符号消失,此时点击“设置键”进入参数设置界面,更改对应参数后,按“辅助/退出键”可以退出参数设置界面,同时对用户设置参数进行记忆保存。
序号 | 参数 | 参数范围 | 默认参数值 |
1 | 开机温度 | 18-28℃ | 25℃ |
2 | 停机温度 | 18-28℃ | 22℃ |
3 | 化霜周期 | 4-8h | 6h |
4 | 化霜时间 | 20-40min | 30min |
3.3 控制器后台参数设置(本参数作为维修对照界面)
在显示器正常运转状态下,按住“设置”键持续5秒以上,显示窗显示“PS”,按“设置”键后进入输入密码界面,用上下键调整密码,初始密码为“18”。调节至指定值后点击“设置”键键入后台参数更改界面。
序号 | 参数代号 | 参数值 | 对应说明 |
1 | F01 | 0 | 如检测温度存在偏差可通过此值调节 |
2 | F10 | 3 | 压缩机启动延时(分钟) |
3 | F13 | -1 | 送风风机运转模式:-1:代表风机持续运转;0:代表风机与压缩机同时启动;1-30:代表风机延后压缩机启动时间(分钟) |
4 | F14 | 1 | 送风风机延时压缩机停机时间(分钟) |
5 | F22 | 9 | 压力保护功能 |
6 | F23 | 11 | 过载保护功能 |
7 | F26 | 1 | |
8 | F27 | 0 | |
9 | F29 | 1 | 压缩机电流保护功能 |
10 | F30 | 15 | 压缩机保护电流,当电流高于15A设备停机保护 |
11 | F34 | 2 | 如果ABC相电流不均衡差值高于本参数设备过载保护 |
注:以上参数为设备运转时的默认参数,如需更改请与本公司联系,如果擅自更改参数,将导致设备故障,不可修复性损坏。
3.4设备电气保护解决方法
本设备延续使用了家用空调的线盖板结构,设备电器部分放置于空调器的线盖板内侧,如需解决设备保护故障,需使用十字螺丝刀拧下线盖板的螺钉,打开后,即可手动复位。
设备保护信息及排除方法如下:
序号 | 故障信息 | 排除方法 |
1 | 过载灯亮、伴随警报声 | 检查电源,有无缺相; 检查线路,有无线路松动; 检查压缩机线路,有无松动 |
2 | 相序灯亮、伴随警报声 | |
3 | 缺相灯亮、伴随警报声 | |
4 | E9与温度显示交替闪烁 | 送风风机过载,出现过载保护,将风机热保护复位 |
5 | E10与温度显示交替闪烁 | 将压控复位后重启 |
注:以上设备保护考虑到电路的偶然因素,防止导致设备不可修复性损坏而设置。上述序号4及序号5保护停机,需客户拆下线盖板后进行复位。需使用方积极配合解决。
3.5 制冷工作原理
CZKI系列粮仓控温专用空调(一体机)制冷系统工作原理为蒸发压缩式。空调系统内制冷剂(R22)在蒸发器内吸热蒸发后变成低温低压蒸汽,经低压侧制冷剂铜管由压缩机压缩成高温高压蒸汽,经高压侧制冷剂铜管进入冷凝器,由冷凝风机散热冷却变成常温高压液体,再经毛细管节流变成低温低压的液汽混和物进入蒸发器吸热蒸发,仓内空气由离心风机循环抽送经过蒸发器而达到降温去湿的空调效果,在蒸发器内吸热蒸发后的制冷剂重新被压缩机吸入,如此循环达到连续制冷的空调效果。

图3 制冷系统流程图
4. 安装说明

不要安装在有可燃性气体的场所,万一可燃性气体泄漏易造成爆炸或火灾。
正确连接电源,保证风机及压缩机转向正确。
空调器不要倾斜安装。
(1)设备安装图(设备因批次不同,安装前需校核下尺寸)
(2)安装准备
拆开空调器包装,对照装箱单检查部件是否齐全。
(3) 安装流程
仓房打孔---安装冷风机和室外机组---铜管连接---电源线安装---试运行
(4) 安装方法
● 仓房墙壁打孔及固定安装支架
●在仓房指定位置打孔,孔径及间距应符合图纸要求。根据图纸要求安装固定支架,每个固定支架至少用3个M10膨胀螺栓固定。
●安装固定顶置机组
1、将空调器室外机组安装在合适位置并用螺栓固定,注意离墙最少20公分;
2、将通风管道插入打好的孔,将冷风机置于固定支架上,安装通风管道和冷风机的连接螺栓,之后将冷风机固定好;
3、连接冷风机和室外机组的线缆和管道。
●电源线安装
1、空调电源线要求使用不小于6mm2国标铜芯电源线与空调电源线连接;
2、空调电源供电端需安装与其匹配的空气开关,方便维护及保养;
3、电源线用塑料扎带于固带器上固定,过梁或孔等锐边处必须用橡胶圈保护,以防磨破;
4、确认线路连接无误后,最后合上电源开关。
l 安装电源线之前,请将电源线从机组内拉出(适度扯紧)
(5) 试运行
●检查整个安装过程,确保安装正确可靠;
●接通电源,按以下几节的操作方法运行空调器,检查空调运行是否正常,是否存在异常噪音,检查进出风温差以及运转电流是否正常,若不正常,需检查原因,并加以排除,直至正常为止;
●清除安装垃圾,恢复被破坏的装饰,保证环境的美观整洁。
5. 使用和操作
粮仓熏蒸前,必须将通风管道的气密盖盖好,封严管道。否则将导致设备腐蚀,减少使用寿命或者损毁设备。
空调最高使用室外环境温度应不高于45℃,否则空调可能会出现保护停机或制冷效果下降现象。
l在对空调器操作和管理前,必须详细了解本使用说明。
l空调器在制冷运行时欠压和过压保护时,压缩机会停止运行,电压恢复后,延时3分钟后,压缩机重新启动。
1.开/关机:电控箱内的漏电保护开关是线路的总开关,主开关控制整机关停。当主开关处于关位置时,整机是关机状态。
2.制冷运行及温度调节:按上下箭头和确认按钮进行温度设定。
6. 清理及保养

l 清理空调器前,请关掉空调总电源.
l 长期使用空调器后,内部会聚积尘埃使空调器效率下降.建议由专业的人员进行定期清理及保养。
l 当清洁空调外壳时,请勿使用磨损性清洁布及挥发油等(例:苯或天那水)。
l 请勿在空调器附近使用喷发香水或杀虫剂。
1) 冷凝器的清扫:
清扫时打开设备外壳,用小刷子刷落(或用高压空气吹落)散热片上的杂质. 然后接通电源开机。根据使用环境的粉尘含量确定清洗周期,粉尘含量较大时,也可用水每周需清洗散热片一次(请勿将水喷洒到电气部位);一般情况需每半年清洗一次。
2) 加固紧固件
定期对设备机组各安装紧固件进行紧固处理,确保连接螺栓的牢固性和空调器安装位置稳定性。
7. 故障检修

在空调器出现故障时,必须查明原因,排除故障后方可重新启动,严禁带故障强行启动运行
当空调器运行异常时,应停止,运行,断开空调总电源。
故障现象 | 故障原因 | 排除方法 |
压缩机不启动或频繁启停 | 1.电压过高或过低 2.不是专用线路 3.温度设定不当 4.系统漏氟严重
| 将电压调整到规定电压范围 采用符合规格要求电源线 重新设定温度 修复漏点,加充制冷剂. |
制冷效果不好 | 1.过滤网及冷凝器脏堵 2.仓内门窗开启频繁 3.仓内热负荷过大 4. 温度设定过高 | 清理过滤网及冷凝器 减少门窗开启次数 ,安装制冷量大的空调器 重新设定温度 |
空调不能开机
| 1.空开跳闸 2.电源电压过低 3.线路或插件接触不好 | 复位空开 使电源电压在要求范围内 重新接驳,或更换接插件 |
风口漏水 | 1.排水口堵塞 2.安装螺丝松脱 | 疏通排水孔 紧固安装螺丝及密封缝隙 |
高、低压都过高 | 1)系统内有空气 2)制冷剂过多 3)环境温度过高 | 1) 排空重新抽真空后注制冷剂 2) 抽出多余制冷剂 3) 正常情况 |
高、低压都过低 | 1)系统泄漏 2)制冷剂过少 3)干燥过滤器或膨胀阀堵塞 4)环境温度过低 | 1) 检漏并添加制冷剂 2) 添加制冷剂 3) 更换或清洗 4) 正常情况 |
高压过高、 低压正常 | 1)有冷凝风机不转 2)高压部分堵塞 | 1)检修或更换 2)找出堵塞点并处理 |
高压过低、 低压过高 | 压缩机高低压串通 低压管结霜或结冰 | 1) 检修压缩机 2) 查结霜原因 |
压缩机的噪音 | 机架松动 压缩机内部零件损坏 (轴承) | 1) 检查机架及修理 修理压缩机或更换压缩机 (专业人员检查) |
粮仓控温专用空调发生故障时应由厂家或授权的专业商进行维修